Warszawa sierpień 2005 opracował: dr inż. Jarosław Paszkowski
Symbole graficzne oznaczania: a) metody europejskiej E, b) metody amerykańskiej A.
Metoda europejska E (zwana czasem rzutowaniem według metody pierwszego kąta) to rzutowanie równoległe prostokątne na 6 wzajemnie prostopadłych rzutni, przy czym obiekt rzutowany umieszczony jest pomiędzy obserwatorem a rzutnią.

|
Literami oznaczono zależną od kierunków rzutowania kolejność rzutów:
- A - rzut z przodu (rzut główny),
- B - rzut z góry,
- C - rzut od lewej strony,
- D - rzut od prawej strony,
- E - rzut z dołu,
- F - rzut z tyłu.
|
Sposób przedstawiania rzutów w/g metody europejskiej (obiekt zobrazowano
w dimetrii kawalerskiej w lewym dolnym rogu rysunku).
Metoda amerykańska A (zwana czasem rzutowaniem według metody trzeciego kąta) różni się tym od europejskiej, że płaszczyzna rzutów umieszczona jest pomiędzy obserwatorem a obiektem rzutowanym.

Sposób przedstawiania rzutów w/g metody amerykańskiej obiektu zobrazowanego w dimetrii kawalerskiej.
W graficznym zapisie konstrukcji stosowane są reguły:
- doboru właściwego rzutu głównego i
- ograniczenia liczby rzutów do minimum.
Ustawienie przedmiotu względem wybranej rzutni charakteryzuje się z reguły tym, że staramy się wykorzystać odpowiednie niezmienniki rzutowania równoległego prostokątnego
i z tego względu np. ustawiamy płaszczyzny ograniczające (jeżeli takie istnieją) równolegle do odpowiednich płaszczyzn rzutowania.
Rzut główny (zwany rzutem z przodu) to taki, który przedstawia przednią powierzchnię przedmiotu i powinien on być tak dobrany,
aby dostarczyć w układzie wymiarów najwięcej istotnych danych o odwzorowywanym przedmiocie.
Przyjmuje się zazwyczaj zasadę, że rzut główny wybieramy w położeniu pracy.
W rysunkach złożeniowych lub zestawieniowych przyjmuje się, że rzut główny powinien pokazywać działanie danej konstrukcji.
Analiza uzyskiwanych rzutów często wykazuje, że nie wszystkie rzuty dostarczają nowych informacji zawsze powinniśmy ograniczać liczbę rzutów do niezbędnego minimum
wymaganego do pełnego przedstawienia wszystkich wymaganych geometrycznych cech konstrukcyjnych. W przypadku przedmiotów wykazujących symetrię w istotny sposób możemy ograniczyć liczbę
koniecznych rzutów zapisując konstrukcję w postaci w półwidoku - półprzekroju. Do poprawnego zapisu konstrukcji oczywiście niezbędny jest zapis układu wymiarów.
Dla niezbyt skomplikowanych brył może się okazać wystarczający zapis konstrukcji w postaci jednego półwidoku - półprzekroju.
Konstrukcję przedstawia się w postaci rzutów zwanych w rysunku technicznym widokami. Podstawowe zasady przedstawiania rzutów obiektów zawarte są w :
PN-91/N-01604 Rysunek techniczny. Widoki, przekroje, kłady.
Zgodnie z tą normą odwzorowywany na rysunku obiekt należy przedstawiać w położeniu użytkowym lub w położeniu dogodnym dla jego wykonania. Obiekty, których położenie użytkowe jest różne
od poziomego lub pionowego, należy przedstawiać w położeniu poziomym lub pionowym. Obiekty wysokie, których położenie użytkowe jest pionowe (słupy, maszty, kolumny itp.)
można przedstawiać w położeniu poziomym, przy czym dolna cześć obiektu powinna być umieszczona z prawej strony.
Liczbę rzutów (widoków, przekrojów itd.) należy ograniczyć do minimum koniecznego dla
jednoznacznego przedstawienia i zwymiarowania obiektu(jednoznacznego określenia geometrycznych cech konstrukcyjnych).
Zapis graficznych cech konstrukcji elementu obrotowego o symetrii osiowej, obejmujący postać konstrukcyjną i układ wymiarów.
Linie rysunkowe
jako typowe znaki graficznego zapisu konstrukcji, stanowią obiekt normalizacji Rodzaje i odmiany linii oraz ich podstawowe zastosowania w rysunku technicznym ujęte są w:
PN-82/N-01616 Rysunek techniczny. Linie rysunkowe.
W zależności od przeznaczenia i formatu rysunku oraz stopnia uszczegółowienia konstrukcji stosuje się różne klasy grubości linii. Potrzeba stosowania na danym rysunku różnych rodzajów
i odmian linii wynika z kryterium czytelności.
Szerokość grubości linii dla poszczególnych odmian powinna zawierać się w przybliżeniu w danych stosunkach: 1 : 3 : 6 lub 1 : 2 : 4 (cienka : gruba : bardzo gruba).
W przypadku korzystania z urządzeń, umożliwiających wykreślenie linii o określonej grubości, należy odpowiednio stosować grubości (0,25 : 0,5 : 1)mm lub (0,35 : 0,7 : 1,4)mm.
| Rodzaje linii |
Odmiany linii |
Linia |
Zastosowania |
| Linia ciągła |
cienka |
|
Zarysy kładów miejscowych, oznaczenia gwintów, linie wymiarowe i pomocnicze wymiarowe, linie odniesienia, line kreskowania |
Linia ciągła |
gruba |
|
Zarysy widoczne widoków i przekrojów, kłady przesunięte, obramowanie rysunku |
| Linia ciągła |
bardzo gruba |
|
Połączenia klejone lub lutowane |
| Linia ciągła zygzakowa lub falista |
cienka |

|
Urwania rzutów obiektów, linie oddzielające widok od przekroju |
| Linia kreskowa |
cienka |
|
Zarysy niewidoczne |
| Linia punktowa |
cienka |
|
Linie wyobrażalne, np. osie symetrii |
| Linia dwupunktowa |
cienka |
|
Skrajne położenia części ruchomych |
Dopuszcza się zastąpienie linii punktowej (np. osi symetrii) linią ciągłą cienką, jeżeli wymiar liniowy rzutu elementu nie jest większy niż 12 mm.
Linie kreskowania powinny być nachylone pod kątem 45° do linii przedstawiającej charakterystyczne zarysy lub krawędzie obiektu, do osi symetrii lub do linii obramowania pola rysunkowego.
W przypadku, gdy linie kreskowania nachylone pod kątem 45° mają to samo nachylenie, co zarys, krawędzi lub oś symetrii, należy przyjąć kąt nachylenia 30° lub 60°.
Odległość między równoległymi liniami kreskowania powinna być jednakowa na wszystkich przekrojach i kładach tej samej części, rysowanych w tej samej podziałce.
Najmniejsza odległość między liniami powinna wynosić
- dla linii o grubości 0,25 mm - 3 grubości linii,
- dla linii o grubości 0,35mm - 2 grubości linii.
W przypadku nakładania się na rysunku kilku linii różnych rodzajów, należy przestrzegać następującej kolejności ich przedstawiania:
- zawsze należy podawać linie zarysów widocznych,
- w następnej kolejności linie zarysów niewidocznych,
- linie umownych płaszczyzn przekrojów,
- linie osiowe,
- linie wymiarowe pomocnicze.
Zarysy i krawędzie widoczne na widokach i przekrojach obiektu należy rysować linią grubą.
Linie przenikania teoretycznego, np. łagodne przejścia pomiędzy powierzchniami należy rysować linią ciągłą cienką nie dochodzącą do linii zarysu.
Linie przenikania rzeczywistego należy rysować linia ciągłą grubą.
Zapis układu wymiarów
Dobór i zapis układu wymiarów wraz z zapisem postaci konstrukcyjnej pozwalają na pełne sprecyzowanie cech geometrycznych konstrukcji.
Dobierając w procesie konstruowania układ wymiarów, wyznaczamy pod względem ilościowym konstrukcję, ponieważ wymiar jest liczbową wartością geometrycznej cechy konstrukcyjnej.
Z tego względu w zapisie konstrukcji (reprezentowana przez układ rzutów) postać konstrukcyjna jest silnie sprzężona z układem wymiarów.
Graficzny zapis układu wymiarów wiąże się z dwoma zasadniczymi zagadnieniami: doborem elementów układu wymiarów i zapisem znaków układu wymiarów.
Zgodnie z normą:
PN-ISO 129:1996 (Rysunek techniczny. Wymiarowanie. Zasady ogólne. Definicje. Metody wykonania i oznaczenia specjalne)
Wymiarem nazywamy wartość liczbową wyrażoną w określonych jednostkach miary i przedstawioną graficznie na rysunkach technicznych za pomocą linii, symboli i znaków.
Do układu wymiarów zalicza się symbole ograniczenia linii wymiarowej, oznaczenia początku linii wymiarowej i liczbę wymiarową a także rysowane linią ciągłą cienką:
pomocniczą linię wymiarową, linię wymiarową i linię odniesienia. Ogólnie zaleca się aby linie wymiarowe nie przecinały innych linii, z wyjątkiem przypadków gdy jest to nieuniknione. Zaleca się również unikania przecinania się linii wymiarowych i pomocniczych linii wymiarowych.
- Pomocnicze linie wymiarowe należy rysować linią ciągłą cienką, przeciągając je 2-4 mm poza odpowiadające im linie wymiarowe, prowadząc je prostopadle do kierunku odpowiadających im wymiarów.
- Linie wymiarowe powinny mieć wyraźne znaki ograniczenia (tj. groty lub ukośne nachylone pod kątem 45° kreski) lub w razie potrzeby oznaczenie początku (w postaci niezaczernionego kółka o średnicy 3 mm).
W przypadku braku miejsca na groty na końcach linii wymiarowej, linię tę przedłuża się, a groty rysuje się na zewnątrz granic linii wymiarowej.
Linię wymiarową należy prowadzić równolegle do wymiarowanego odcinka prostoliniowego lub jako łuk okręgu zatoczonego z wierzchołka kąta, w przypadku wymiarowania kąta.
Linami wymiarowymi nie powinny być linie zarysu, pomocnicze linie wymiarowe i osie symetrii oraz ich przedłużenia.
Linie wymiarowe nie powinny przecinać się, z wyjątkiem linii wymiarowych średnic okręgów współśrodkowych. Dopuszcza się urywanie linii wymiarowych w odległości 2-4 mm poza środkiem okręgu lub osią symetrii,
w przypadku wymiarowania średnicy okręgu lub wymiarowania przedmiotu symetrycznego przedstawionego w półwidoku - półprzekroju.
- Odstęp między równoległymi liniami wymiarowania powinien być jednakowy i nie mniejszy niż 7 mm;
- Odstęp między linią wymiarową a linią zarysu nie powinien być mniejszy niż 10 mm .
W przypadku rysowania promieni łuków okręgów współśrodkowych, linie wymiarowe promieni nie powinny leżeć na jednej prostej.
Znaki zapisu konstrukcji
Znakami powszechnymi są oznaczenia literowe oraz cyfrowe. Znaki powszechne (czyli pismo) stosowane są głównie do zapisu układu wymiarów.
Ze względu na kryterium jednoznaczności postacie znaków są zwykle znormalizowane. Zagadnienie dotycząca pisma w rysunku technicznym ujmuje PN-80/N-01606 Rysunek Techniczny. Pismo.
Przedmiotem tej normy są rodzaje i wzory liter, cyfr i znaków stosowanych do wykonywania opisów w dokumentacji technicznej. Zgodnie z tą normą dopuszczalne jest stosowanie pisma prostego opartego o siatkę pomocniczą kwadratową (o boku h) lub pochyłego wykorzystującego siatkę pomocniczą rombową (o podstawie i wysokości h),
którego linie tworzą z podstawą wiersza kąt 75°. Wysokość pisma h określana jest na podstawie wysokości liter wielkich w milimetrach (mm). W zależności od stosunku grubości linii pisma d do wysokości pisma h rozróżnia się:
- pismo rodzaju A (dx14 = h) i
- pismo rodzaju B (dx10 = h).
Przyjęte wysokości pisma to: (1,8) - 2,5 - 3,5 - 5,0 - 7,0 - 10,0 - 14,0 - 20,0 mm.
Wysokość 1,8 mm dopuszcza się stosować tylko dla pisma rodzaju B.
Do zapisu układu wymiarów na formatach A3 i A4 stosuje się oznaczenia literowo-cyfrowe bądź oznaczenia kombinowane o wysokości 3,5 mm.
Normatywne (PN-ISO 129:1996 Rysunek techniczny. Wymiarowanie) wprowadzenie w formie symboli pewnych umownych znaków w układzie wymiarów powszechnie stosowanych i znanych zarysów geometrycznych upraszcza również zapis konstrukcji.
Takimi znakami są:
- Φ - znak wymiaru średnicy okręgu,
- R - znak wymiaru promienia krzywizny,
- SΦ- znak wymiaru średnicy powierzchni kulistej,
- SR - znak wymiaru promienia powierzchni kulistej,
- znak wymiaru boku kwadratu,
- n
b -znak wymiaru n - kąta foremnego o parzystej liczbie (powyżej 4) boków (b to podana w mm odległości
między przeciwległymi równoległymi do siebie bokami wielokąta),
- X - znak wymiaru grubości (długości) obiektu przedstawionego w jednym rzucie,
-
- znak wymiaru długości łuku, umieszczany nad liczbą wymiarową.
- I I - znak śladu płaszczyzny symetrii.
Liczby wymiarowe należy umieszczać nad liniami wymiarowymi w miarę możliwości w pobliżu środka ich długości lub nad linią odniesienia.
Należy je umieszczać tak, aby można je było odczytać patrząc na rysunek od dołu lub od prawej strony rysunku
(patrząc od strony tabelki rysunkowej).
W przypadku kilku równoległych linii wymiarowych użytych do wymiarowania obiektu obrotowego o symetrii osiowej, liczby wymiarowe zaleca się rozmieszczać blisko osi, na przemian:
raz z jednej raz z drugiej strony osi
Liczby wymiarowe nie powinny być przecięte żadnymi liniami;
w przypadkach koniecznych linie rysunkowe (linie zarysu, osie symetrii, linie kreskowania) należy przerwać w miejscu umieszczenia liczby wymiarowej.
W przypadku braku miejsca między znakami ograniczenia linii wymiarowych, liczby wymiarowe należy umieszczać nad przedłużeniami linii wymiarowej.
Wymiary liniowe należy podawać w mm bez oznaczania mm.
W przypadku konieczności podawania wymiarów w innych jednostkach miary, jeżeli przyjęta jednostka miary jest jednakowa dla wszystkich wymiarów na rysunku,
dopuszcza się podawanie jej w wymaganiach technicznych w postaci uwagi, np.: "wszystkie wymiary w metrach".
Każdy element rysunku należy wymiarować tylko jeden raz.
Wymiary kątowe należy podawać w stopniach, minutach sekundach z oznaczeniem jednostki miary, np. 5°21'33''.
Przed wartościami kątów mniejszych niż 1° lub 1' należy pisać 0° lub 0°0', np. 0°7'20'', 0°0'10,4''.
Wysokość znaków wymiarowych należy się przyjmować równą wysokości liczb wymiarowych.
W przypadku wymiarowania od krawędzi teoretycznych
wynikających z przenikania się tworzących powierzchni, zarysy tych powierzchni należy przedłużyć liniami cienkimi do punktu przecięcia i wymiarować zgodnie z przykładem wymiarowania
średnic F20 lub F 44 z rysunku przykładowego.
Przy wymiarowaniu krzywizny łuków okręgów linię wymiarową promienia łuku okręgu należy prowadzić od jego środka krzywizny (punktu, z którego został zatoczony) do łuku i zakańczać grotem.
Jeżeli zachodzi konieczność zwymiarowania środka krzywizny łuku okręgu leżącego poza polem arkusza rysunkowego lub umiejscowionego tak, że jego zwymiarowanie utrudniałoby czytelność rysunku, należy przyjąć
za środek krzywizny łuku punkt najbardziej odpowiedni do pokazania wymiarów i poprowadzić z tego punktu linię wymiarową promienia z załamaniem pod kątem prostym.
Łuki okręgów można wymiarować podając promień krzywizny łuku lub jeden z następujących wymiarów:
- wymiar kąta wierzchołkowego,
- wymiar długości cięciwy,
- wymiar długości łuku.
Znormalizowany układ wymiarów umożliwia ograniczenie zapisu konstrukcji do jednego rzutu w postaci półwidoku - półprzekroju otrzymanego po wycięciu 1/4 elementu do płaszczyzny symetrii.
Reguły wymiarowania
Przy tworzeniu układu wymiarów obowiązują reguły wymiarowania wynikające logicznie z zasad i racji zapisu konstrukcji.
Można wyodrębnić reguły nakazujące i ograniczające.
reguły nakazujące:
- reguła właściwego miejsca i czytelności,
- reguła wymiaru bezpośredniego,
- reguła minimum wymiarów z małymi odchyłkami.
reguły ograniczające:
- reguła niepowtarzania zapisu tej samej informacji,
- reguła ograniczonego stosowania łańcuchów wymiarowych,
- reguła ograniczonego stosowania jednej podstawy wymiarowej.
Reguła właściwego miejsca i czytelności ma znaczenie ogólne, dotyczące w jednakowej mierze zarówno zapisu konstrukcji, jak i układu wymiarów.
Wymiarowanie rozpoczynamy od rzutu głównego, na którym staramy się podać wszystkie wymagane wymiary.Niemożność podania danego wymiaru w rzucie głównym powoduje konieczność powiększania liczby rzutów o te,
na których brakujące wymiary można pokazać.
Jeżeli zapis konstrukcji ma postać półwidoku - półprzekroju to wymiary dotyczące widoku grupujemy po stronie widoku a dotyczące przekroju po stronie przekroju, co wpływa na zwiększenie czytelności.
Wymiarów poszczególnych elementów (np. otworów) nie należy rozdzielać na różne rzuty, na których mogą one wystąpić, ale należy je zgrupować na rzucie najpełniej go odwzorowującym.
W celu zwiększenia czytelności wymiarowania elementy walcowe wymiarujemy płaszczyźnie równoległej do osi wzdłużnej, a nie na rzutach walca w płaszczyźnie prostopadłej do tej osi.
Zasada nie wymiarowania od linii kreskowych odwzorowujących niewidoczne fragmenty a także unikania stosowania tych linii wynika również z reguły czytelność zapisu konstrukcji.
Reguła wymiaru bezpośredniego, czyli bezpośredniego podawania na rysunku wymiarów wynikających ze współzależności elementów współdziałających, ułatwia operowanie wymiarami
na etapie projektowania i weryfikacji konstrukcji, ponieważ wymiar podawany jest wprost (nie jako wynikowy). Reguła ta ułatwia również uzyskanie wymiaru z żądaną dokładnością w finalnym elemencie.

W przypadku wymiarowania wynikającego z potrzeb konstrukcyjnych i technologicznych możemy stosować wymiarowanie od więcej niż jedna baza wymiarowa.
Do wymiarowanie elementów wykonywanych narzędziami stosujemy uproszczenia np. M6 - oznacza gwint metryczny wykonywany gwintownikiem 6,
A 2,5 PN-83/M-02499 też oznacza narzędzie - do wykonania nakiełka
Z uwagi na ekonomię oraz technologiczność produkcji należy unikać dużej liczby wymiarów z małymi odchyłkami (tolerancjami).
Reguła minimum wymiarów z małymi odchyłkami wiąże się z regułą wymiaru bezpośredniego.

Lub wymiarowanie w prostokątnym układzie współrzędnych

Zgodnie z regułą niepowtarzania zapisu tej samej informacji nie należy podawać tego samego wymiaru przedmiotu więcej niż jeden raz, bez względu na liczbę rzutów i arkuszy rysunkowych, na których wymiarowany obiekt jest przedstawiony.
Łańcuchem wymiarowym nazywamy szeregowy zespół wymiarów, określających wzajemne położenie elementów geometrycznych konstrukcji, tworzących wraz z wymiarem wypadkowym obwód zamknięty.
Wymiar wypadkowy nie jest podawany zgodnie z zasadą otwartego łańcucha wymiarowego
(PN-82/M-01143 Rysunek Techniczny Maszyn owy. Wymiarowanie. Zasady wynikające z potrzeb konstrukcyjnych i technologicznych).
W przypadku podawania wartości liczbowej wymiaru wypadkowego należy traktować go jako wymiar pomocniczy podawany w nawiasach bez określonej dokładności (tolerancji).
Tolerancja wymiaru wynikowego jest sumą tolerancji wymiarów składowych.


Przykład otwartego łańcucha wymiarowego
Ze względu na tą niedogodność w zapisie układu wymiarów zaleca się regułę ograniczonego stosowania łańcuchów wymiarowych, aby wymiar wynikowy został osiągnięty z żądaną dokładnością,
należy zaostrzyć wymagania co do dokładności wymiarów składowych, a to z kolei staje się sprzeczne z regułą minimum wymiarów z małymi odchyłkami.
W przypadku wymiarowania wynikającego z potrzeb konstrukcyjnych i technologicznych możemy stosować wymiarowanie od więcej niż jedna baza wymiarowa
Przyjęcie pewnych własności jako oczywiste pozwala na skrócenie zapisu. Ze względu na zapis układu wymiarów istotne znaczenie ma np.:
- oczywistość kąta prostego,
- oczywistość równoległości,
- oczywistość równości części w elementach symetrii (osi symetrii i płaszczyzn symetrii).
Przyjęcie oczywistości kąta prostego oraz równoległości pozwala na pominięcie w zapisie układu wymiarów kątów 90° , 180° oraz 0°.
Elementy symetrii (osie symetrii i płaszczyzny symetrii) mogą dotyczyć bądź całego elementu, bądź układu elementów (podzespołów, zespołów, itp.) lub tylko poszczególnych części.
Przyjęcie oczywistości symetrii znacznie skraca zapis układu wymiarów.
Uproszczenia w układzie wymiarów
Stosowanie wyżej wymienionych reguł umożliwia przyjęcie normatywnie wprowadzanych (zgodnie z zasadą jednoznaczności) uproszczeń wymiarowych.
W obiektach przedstawianych tylko w jednym rzucie, liczbę wymiarową grubości lub długości można podać nad linią odniesienia, poprzedzając ją znakiem x.
Wymiary zarysów krzywoliniowych o dowolnym zarysie można przedstawiać w układzie współrzędnych prostokątnych lub biegunowych.
(PN-EN ISO 1660:1998 Rysunek Techniczny. Wymiarowanie i tolerancje zarysów krzywoliniowych).


Przykład zwymiarowania zarysu krzywoliniowego w układzie współrzędnych prostokątnych.
Wymiarowanie szeregu powtarzających się jednakowych elementów można upraszczać wymiarując pierwszy element, odległość między pierwszym i drugim elementem, oraz podając odległość między skrajnymi elementami jako iloczyn liczby powtarzających się wymiarów przez odległość między sąsiednimi elementami, przy czym na pierwszym miejscu należy podać liczbę wymiarów.

Przykład zwymiarowania powtarzających się zarysów otworów oraz ścięć krawędzi pod kątem 45° i różnym od 45°.
Ścięcia krawędzi(fazowanie)
Ścięcia krawędzi pod kątem 45° można wymiarować jak na rysunku.

Ścięcia krawędzi pod kątem różnym od 45° można wymiarować podając wymiary liniowe lub wymiar liniowy i kątowy.

Wymiarowanie stożków
Aby jednoznacznie zwymiarować stożek ścięty należy podać trzy parametry.

Przy wymiarowaniu za pomocą zbieżności podaje się znak zbieżności (wąski trójkąt równoramienny ) a za nim wartość liczbową zasadniczo w postaci ilorazu 1:x.
Znak powinien być skierowany zgodnie z kierunkiem zbieżności detalu a umieszczamy go przy osi lub nad linią odniesienia wskazującą powierzchnię zbieżną.
Wymiarowanie przekrojów kwadratowych
Przy wymiarowaniu graniastosłupów o podstawie kwadratu lub sześciokąta wymiar odległości pomiędzy przeciwległymi ścianami poprzedzamy odpowiednim znakiem:
- Gdy ściany między którymi ma być podany wymiar są prostopadłe do płaszczyzny rzutni wymiar podajemy nad linią wymiarową
- Gdy ściany te zajmują inne położenie wówczas wymiar podajemy nad linią odniesienia

Wymiarowanie przekrojów sześciokątnych

Przedmioty długie
- Rzuty obiektów można urywać, rysując urwanie linią falistą cienką.
Rzuty obiektów długich można skracać, opuszczając ich część środkową, a przerwanie rysując linią falistą cienką.
Symetrię obiektów należy zaznaczać osią symetrii rysowaną linią punktową cienką.
Oś symetrii obiektu powinna być wysunięta poza zarys obiektu.

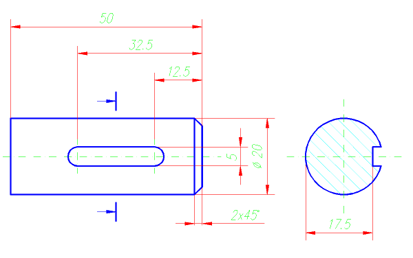
Graficzny zapis wałka.
Liniami ciągłymi grubymi wykreślono krawędzie widoczne,
liniami ciągłymi cienkimi wykreślono łagodne zarysy przenikania,
linią ciągłą falistą wykreślono urwanie,
oś bryły wykreślono linią punktową
Widoki i przekroje
Konstrukcję przedstawia się w postaci rzutów zwanych w rysunku technicznym widokami.
Podstawowe zasady przedstawiania rzutów obiektów zawarte są w
PN-91/N-01604 Rysunek techniczny. Widoki, przekroje, kłady.
Obiekty symetryczne względem jednej lub dwóch płaszczyzn symetrii można
przedstawiać jako półwidok - półprzekrój lub ćwierćwidok (ćwierćprzekrój).
Półprzekrój powinien być umieszczany poniżej poziomej
lub z prawej strony pionowej osi symetrii.
W takich przypadkach symetria obiektu powinna być zaznaczona przez umieszczenie na
końcach osi symetrii dwóch równoległych kresek długości nie mniejszej niż 3,5 mm rysowanych linią ciągłą cienką.

Półwidok - półprzekrój obiektu posiadającego w pierwszym rzucie jedną płaszczyznę symetrii
oraz ćwierćwidok tego obiektu posiadającego w drugim rzucie dwie płaszczyzny symetrii.
Jeżeli drobnych szczegółów obiektu nie można dokładnie przedstawić w przyjętej podziałce rysunku, to należy wykonać odrębny widok lub przekrój cząstkowy szczegółu w zwiększonej podziałce.
W tym przypadku szczegół powiększany należy ograniczyć okręgiem wykonanym linią ciągłą cienką i oznaczyć na linii odniesienia wielką literą alfabetu łacińskiego.
Takie samo oznaczenie powinno być powtórzone nad odpowiednim powiększeniem szczegółu obiektu z podaniem w nawiasie podziałki powiększenia

Sposób przedstawiania widoku cząstkowego szczegółów odwzorowywanego obiektu.
W przypadkach konstrukcji bardziej złożonych zapis konstrukcji wymaga stosowania nie tylko rzutów będących widokami lecz odpowiednio dobranych przekrojów
uwidaczniających niewidoczne zarysy.
Na rysunku przekroju powinny być uwidocznione zarysy figury powstałej w wyniku przecięcia obiektu płaszczyzną przekroju oraz wszystkie widoczne zarysy i krawędzie leżące za tą płaszczyzną przekroju.
W rysunkach wykonawczych nie stosuje się przedstawiania niewidocznych zarysów
postaci konstrukcyjnych za pomocą linii kreskowych, ponieważ zmniejszają one czytelność zapisu. Zagadnienie to komplikuje się jeszcze bardziej przy nanoszeniu układu wymiarów na rysunek, w którym użyto linii kreskowej.
Na przekrojach zespołów, podzespołów itp. obiekty pełne o kształtach obrotowych (kołki, nity, sworznie, wkręty, wałki itp.), których
oś leży w płaszczyźnie przekroju należy rysować w widoku.
Położenie płaszczyzny przekroju zaznacza się dwoma odcinkami linii grubej.
W przypadku przekroju złożonego takie same odcinki należy rysować w miejscach przecinania się płaszczyzn przekroju.
Krańcowe odcinki linii grubej nie powinny przecinać zarysu obiektu.
Ślad płaszczyzny przekroju należy zaznaczać linią punktową.
Kierunek rzutowania określa się za pomocą strzałek umieszczonych w odległości 2 - 3 mm
od zewnętrznych końców odcinków linii grubej.
Płaszczyzna przekroju powinna być oznaczona dwiema jednakowymi wielkimi literami
lub w przypadkach uzasadnionych kombinacją litery i cyfry (np. A1-A1).
Litery powinny być umieszczone bezpośrednio przy strzałkach określających kierunek rzutowania.
Litery do oznaczania rzutów na danym rysunku powinny być stosowane w kolejności alfabetycznej,
a cyfry w kolejności wzrastającej, niezależnie od liczby arkuszy rysunkowych.
Nie należy stosować liter I, O, R, Q, X.
Dopuszcza się nie oznaczać położenia płaszczyzny przekroju prostego,
jeżeli jej położenie nie budzi wątpliwości a przekrój jest rzutowany zgodnie z metodą.

Przekrój łamany.
Jeżeli przekrój obiektu leży w dwóch lub więcej płaszczyznach, których rzutem jest linia łamana
o kątach rozwartych, to przekrój należy sprowadzić do jednej płaszczy
zny rzutu (tak jak gdyby części widoczne za płaszczyzną przekroju były
rzutowane na płaszczyzny równoległe do płaszczyzn przekroju).
Jeżeli dokonujemy przekroju wzdłużnego takich elementów, jak żebra, ramiona kół, tarcze, ściany itp. to w przekroju są one widoczne w widoku - tak jak gdyby płaszczyzna przekroju była tuż przed nimi.
Jeżeli krawędź widoczna obiektu pokrywa się w danym rzucie z jego osią symetrii, to oś ta nie może oddzielać półwidoku od półprzekroju.
W tym przypadku należy stosować widoki lub przekroje częściowe, oddzielone od siebie lub ograniczone linią falistą cienką.

Przekrój częściowy, w którym krawędź widoczna elementu obiektu (o zarysie sześciokąta) pokrywa się w danym rzucie z jego osią symetrii.
Kłady
W celu ograniczenia liczby rzutów dla zobrazowania nieskomplikowanych
zarysów leżących w płaszczyźnie przekroju stosuje się kłady.
Kład to zarys figury powstałej w wyniku przecięcia obiektu tylko jedną płaszczyzną przekroju
bez uwidaczniania zarysów i krawędzi obiektu leżących za tą płaszczyzną przekroju.

Kład miejscowy zarysu w płaszczyźnie przekroju wałka.

Kład przesunięty zarysu w płaszczyźnie przekroju wałka.
Jeżeli płaszczyzna przekroju przechodzi przez oś powierzchni obrotowej otworu stożkowego lub walcowego, to kład uzupełnia się widokiem krawędzi otworu (otwory na kładzie miejscowym).
- Kład miejscowy, jeżeli nie zmniejszy to czytelności rysunku, należy przedstawić na widoku obiektu, rysując jego zarys linią ciągłą cienką.
- Kład przesunięty otrzymuje się tak samo jak miejscowy, z tym, że należy przedstawić go poza rzutem obiektu.

Zarys kładu przesuniętego należy rysować linią ciągłą grubą.
Kład przesunięty może być umieszczony na osi zgodnej z położeniem płaszczyzny przekroju. Jeżeli kierunek rzutowania może budzić wątpliwości, należy go oznaczyć.
Przykład z wierconymi otworami pod kątem prostym - przenikanie walca z walcem -

Przenikania przy róznych średnicach otworów.